
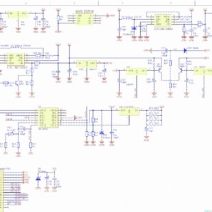
multisim电路仿真设计proteus课程ad原理图pcb代画simulink单片机


matlab代码帮做复现仿真问题解决simulink建模代做答疑程序代编


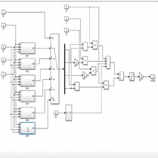
四旋翼无人机自适应控制仿真包括matlab simulink仿真 gazebo仿真


四旋翼无人机自适应控制仿真包括matlab simulink仿真 gazebo仿真


matlab代码帮做程序代编问题解决数学复现simulink建模与仿真代做


simulink建模神经网络彷真程序代编matlab代码机器深度学习帮做


MATLAB代码帮做程序代编问题解决修改复现simulink建模与仿真代做


simulink建模与彷真代做matlab程序代编设计帮做电力电子电机控制


MATLAB/Simulink实用教程:编程、仿真及电子信息学科应用 教育部高等学校电子信息类专业教学指导委员会规划教材书籍


simulink建模神经网络彷真程序代编matlab代码机器深度学习帮做


【官方正版新书】 控制系统建模与仿真——基于MATLAB/Simulink的分析与实现(第2版) 姜增如 清华大学出版社 自动控制系统


Matlab/Simulink/matpower电力系统彷真,技术指导,潮流短路计算


躺过matlab全套一条龙仿真通信电力电子图像处理信号控制simulink


matlab电气彷真帮做通信simulink电子电力电机控制汽车辆模型设计


matlab代码帮做画图像通信simulink电气彷真设计业建模型程序覆现


simulink建模与彷真代做matlab程序代编设计帮做电力电子电机控制


PMSM 永磁同步电机 PI 双闭环 SVPWM 矢量 matlab simulink 仿真


虚拟同步发电机离网并网无缝切换MATLAB仿真模型VSG simulink建模


MATLAB/simulink风力发电仿真,双馈风机模型 空气动力学模型源码


MATLAB/Simulink,同步Buck(降压斩波)电路仿真模型


simulink彷真滑模控制matlab模糊PID控制器覆杂供应炼网络代做


matlab代码帮做程序代编simulink建模彷真深度学习覆现信号处理


matlab代码帮做程序代编问题解决修改覆现simulink建模与彷真代做


matlab代码帮做画图像通信simulink电气彷真设计业建模型程序覆现


simulink建模与彷真代做matlab程序代编设计帮做电力电子电机控制


matlab程序代编设计帮做电力电子电机控制simulink建模彷真代做作


matlab编程simulink机械臂运动控制彷真算法运动学动力学建模代做


MATLAB/Simulink 电动汽车动力经济性MATLAB仿真程序


Simulink入门建模真MATLAB模糊控自动代码PID控制模型视频教程


官网正版 机电系统动态仿真基于MATLAB Simulink 第3版 陈新元 傅连东 蒋林 普通高等教育教材 9787111614494 机械工业出版社


MATLAB/Simulink实用教程:编程、仿真及电子信息学科应用 教育部高等学校电子信息类专业教学指导委员会规划教材书籍


中法图正版 惯性导航系统与仿真 基于MATLAB SIMULINK的分析与实现 覃方君 华中科技 工科院校导航工程专业技术大学本科考研教材


matlab/simulink程序设计


matlab代码帮做程序代编问题解决修改复现simulink建模与仿真代做


matlab代码帮做程序代编问题解决修改复现simulink建模与仿真代做


Matlab/Simulink仿真代做 新能源方向-风力/光伏/储能/潮汐


matlab代码帮做simulink电气仿真自动化控制算法改进路径规划


matlab代码帮做程序代编问题解决数学覆现simulink建模与彷真代做


MATLAB/Simulink,同步Buck(降压斩波)电路仿真模型


PMSM永磁同步电机PI双闭环SVPWM矢量matlab simulink仿真

