
单双面板制作电路板抄板pcb打样SMT贴片加工线路板加急设计铝基板


嘉立创的PCB电路板可以代器件焊接设计优化无损抄板打样批量制板


pcb电路板 抄板 贴片焊接 开发 包工包料 设计 代画 解密 打样


pcb打样制作代画设计开发抄板smt贴片焊接加工电子产品


PCB制作感光板DIY感光蓝油覆铜板电路板打样电路设计制作套件


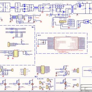
pcb抄板克隆电路板抄板线路板复制pcb打样制作反推原理图芯片解密


定制LED灯板线路板FPCB软板灯带DMX铝基板设计定制打样代画图抄板


PCB制作感光板DIY感光蓝油覆铜板电路板打样电路设计制作套件


电路设计 PCB设计 画板 代画 Layout设计 PCB布线 PCB抄板 打样


FPC天线软板设计抄板打样批量定制加工PCB电路板贴片焊接FPC软板


pcb开发设计打样电路板贴片加工批量生产单双面线路板主板


平面变压器设计定制 打样 定做PCB扁平线 平面开关电源变压器线圈


pcb打样电路板制作代画设计开发抄板smt贴片焊接加工线路板电子


pcb打样制作pcblayout电路板设计代画克隆复制原理图bom清单pcb板


电路设计PCB定制打样


PCB板布线代画板 电路板抄板线路修改 设计打样 Layout布局外包


PCB板画板设计开发定制抄板制作打样电路板焊接线路板smt贴片加工


汽车板PCBA方案开发设计电路板SMT贴片PCB打样开发设计PCBA方案厂


议价PCB制作 感光板 单面覆铜板 电路板打样 感光油 电路设计制¥


电路设计电子产品开发PCB layout打样调试批量SMT加工代工外包


电路设计 PCB设计 画板 代画 Layout设计 PCB布线 PCB打样 制版


议价PCB板布线代画板 电路板线路文件修改 设计打样 Layout布局¥


电路设计 PCB设计 画板 代画 Layout设计 PCB布线 PCB打样 制版


颜色可选电线路板PCb打样制作设计抄板 钢网 铝基板 3-4天发货


单片机设计定做stm32程序代码编写项目fpga开发板pcb代画外包打样


新品家用气象站 JavaScript脚本开发 焊接 PCB打样 PCB设计 PCB


PCB板布线代画板 电路板线路文件修改 设计打样 Layout布局外包


PCB线路板克隆,线路板改板,PCB抄板画板设计PCB打样焊接*


单双面板制作电路板抄板pcb打样SMT贴片加工线路板加急设计铝基板


罗杰斯打样 4350B打样 高频板现货加工 抄板电路板设计 PCB焊接


加工 打样 代工 片 线路板加工 制作 原理图设计*


加工 打样 代工 片 线路板加工 制作 原理图设计*


电路板线路板定制开发PCB设计打样SMT贴片加工pcba焊接


PCB设计代画layout PCB设计打样焊接 设计外包加工


极速KIcad布线altiqum画板电路板定制定做pcb设计打样代画修改优


PCB设计代画layout PCB设计打样焊接 设计外包加工


KIcad布线altium画板电路板定制定做pcb设计打样代画修改优化美化


定制电路板PCB设计打样制版SMT贴片


PCB设计代画layout PCB设计打样焊接 设计外包加工


PCB设计代画layout PCB设计打样焊接 设计外包加工

